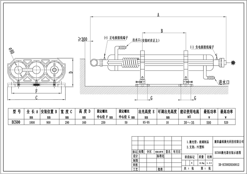
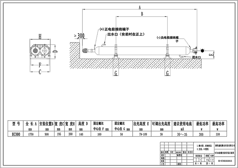
EC 系列CO2 激光管
鑫銳激光EC系列CO2激光管是我公司歷經多年研制的長壽命增強型CO2激光管,激光管功率高、光束細、發光性能穩定,放電管鍍有催化劑,使其工作壽命大為增加,相比同類產品有體積小、光斑模式好、切割速度快的優勢。該系列產品質保期12個月,可和公司現有電源、鏡片系列產品完全配套,使用更穩定,壽命更長。適用領域:有機材料、布料、皮革、木板、亞克力、玻璃等的切割。
EC 系列CO2 激光管



型號 | 長度(mm) | 直徑(mm) | 輸出功率(W) | 最高功率(w) | 工作電流(mA) | 催化劑 |
EC300 | 2*1650±20 | Φ80 | 300 | 320 | 30 | 有 |
EC500 | 3*1650±20 | Φ80 | 500 | 550 | 30 |